コンテンツへスキップ
株式会社Lead
特殊オリジナルパーツ製作・販売、輸入圧力計輸入販売(SAFE GAUGE日本総代理店)
メニュー
TOPページ
製品ラインナップ
オリジナル製品
SAFE GAUGE 製品
A2Care ito’oshii with Science
資料ダウンロード
会社概要
お問い合わせ
個人情報保護
Shopping
オリジナル製品
輸入製品
環境グッズ
カート確認
特定商取引法に基づく表示
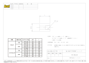
bushing_fig